Wczytuję dane...

Klema środkowa Dł: 50mm anodowana srebrna

średnia: 0.0  ocen: 0
Ocena - 0.0/5 (0 opinii)
Produkt dostępny!
11653 szt.
Wysyłka w 24 h
Model: ZE-4-2-1001
Kod producenta: ZE-4-2-1001
EAN: ZE-4-2-1001
Wysyłka od: 27.00 PLN
Producent: klemy, łączniki
0.86 PLN - netto
1.06 PLN - brutto

Krótki wstęp

Klema środkowa o długości 50 mm w anodowanym srebrnym wykończeniu to niezawodny element montażowy stosowany w systemach fotowoltaicznych. Zapewnia solidne i trwałe mocowanie paneli o ramie mieszczącej się w zakresie 35-50 mm, idealnie sprawdzając się w instalacjach OZE i sektorze HVAC.

Kluczowe korzyści

  • Odporna na korozję dzięki anodowanej powłoce o srebrnym kolorze
  • Wykonana z wysokiej jakości aluminium EN-AW 6005, stop T5
  • Łatwa i szybka instalacja dzięki uniwersalnym wymiarom
  • Optymalna długość 50 mm zapewnia pewne mocowanie paneli
  • Lekka konstrukcja ułatwiająca pracę i transport (waga ok. 27 g)

Zastosowanie w polskich warunkach

Klema środkowa dedykowana jest do montażu paneli fotowoltaicznych z ramą o grubości 35-50 mm. Anodowana powierzchnia gwarantuje trwałość nawet w zmiennych warunkach atmosferycznych, typowych dla polskiego klimatu. Produkt doskonale wpisuje się w nowoczesne systemy montażowe instalacji PV, zapewniając stabilność i długowieczność połączeń.

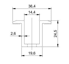
Specyfikacja techniczna

  • Długość: 50 mm
  • Wysokość: 25 mm
  • Materiał: aluminium gatunku EN-AW 6005, stop T5
  • Powłoka: anodowana, kolor srebrny
  • Waga: około 0,027 kg

Warunki gwarancji

Produkt objęty jest standardową gwarancją jakości, zapewniającą odporność na wady materiałowe i produkcyjne. Przy prawidłowym montażu i użytkowaniu klema gwarantuje wieloletnią niezawodność działania w systemach fotowoltaicznych.

FAQ

Do jakiej grubości ramy panelu pasuje klema? Klema jest przeznaczona do paneli o grubości ramy od 35 do 50 mm. Czy powłoka klemy chroni przed korozją? Tak, anodowana powłoka srebrna zapewnia doskonałą ochronę antykorozyjną. Jakiego materiału użyto do produkcji klemy? Klema wykonana jest z wysokiej jakości aluminium EN-AW 6005, stop T5.

Podsumowanie

Klema środkowa 50 mm anodowana srebrna to trwały i lekki element montażowy, który sprawdzi się w każdej instalacji fotowoltaicznej. Jej solidne wykonanie oraz odporność na warunki atmosferyczne czynią ją niezastąpionym komponentem w systemach OZE i HVAC.

Polecamy